Opis
Baza PMFU koja se koristi za spajanje drvenih stupova kvadratnog presjeka s betonom. Kompaktna struktura omogućuje stabilno spajanje teških stupova.
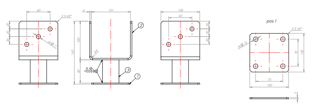
Nosači(stope) za grede tip U sa pločom služe za spajanje drvenih greda na postojeći beton i prikladni su za spajanje vertikalnog i horizontalnog opterećenja.
Idealni su za montažu nosivih krovnih konstrukcija, nadstrešnica, vrtnih i montažnih kuća i sl.
Izrađeni su od čeličnog lima te zaštićeni slojem galvanskog cinka.
Dimenzije u mm:
Baza za stup PMF-U100 (101/101/163/4)
Baza za stup PMF-U120 (121/121/163/4)
Baza za stup PMF-U140 (141/141/163/4)
Baza za stup PMF-U160 (161/161/163/4)






Recenzije
Još nema recenzija.