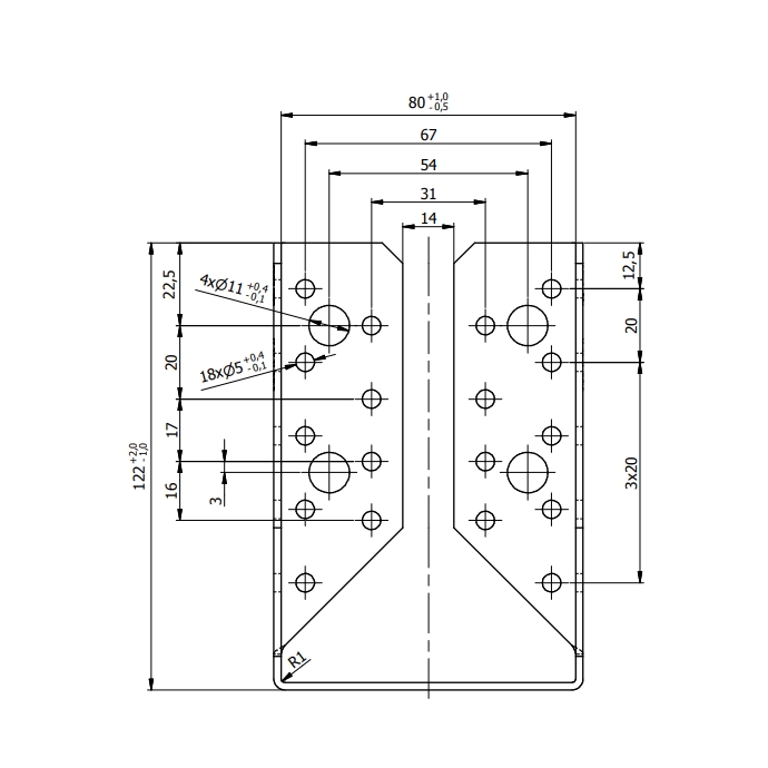
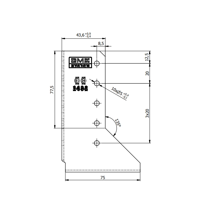
Opis
Primjena:
Elementi savijeni prema unutra omogućuju pričvršćivanje grede kada je prostor ograničen, posebno na uskim stupovima.
Osim toga, djelomično prekrivanje između spojenih elemenata daje bolji vizualni efekt.
Izrađuju se u različitim veličinama tako da odgovaraju presjecima greda koje se najviše koriste na tržištu.
Dodatni veliki promjeri rupa, mogu se koristiti i za pričvršćivanje greda na betonski zid.
Materijal: DX51D + Z275
Debljina: 2mm
Pričvršćivanje: ANKER prstenasti čavli fi.4;
Vijci za drvo fi.10; M10 vijci;
Ankeri za beton M10.






Recenzije
Još nema recenzija.